产品中心
新闻资讯
- 诚挚邀请您出席《全国光学与光学工程 2026博士生学术联赛》
- 诚挚邀请您出席《粤港澳物理学会2025联合年会暨量子科技论坛》
- 诚挚邀请您出席《全国光学与光学工程 2025博土笔学术联赛》
- 诚挚邀请您出席《2024年广东省物理学会学术年会暨中山大学物理学科百年论坛》
联系我们
联系人: 周先生
手机: 13288666664
电话: 020-38880135 020-38880857
邮箱: sales01#gzyuli.com
地址: 广州市天河区儒林大街后园路35号E座107房
物镜自动切换台价格
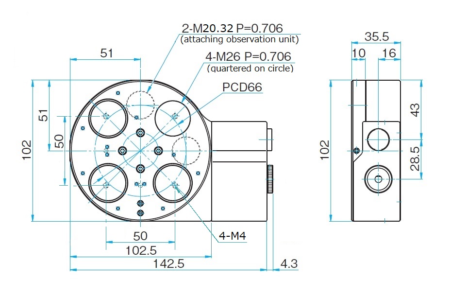
电动物镜切换台:LACR-4H>
- 采用了非接触式的物镜定位方案,耐久性好。 ◦采用步进电机驱动,物镜前端的定位分辨率小于1μm。
- 和控制器(GIP-101B)配合使用时,可预设5个位置(转动方向的定位)。而且,转台本身可实现物镜螺口位置的对芯微调。
- 和同轴观测镜筒配合使用时,需要另购相应的连接部件。
电动物镜切换转台:LACS-2H-A>
- 物镜切换位置为2个的直线滑台式电动物镜切换滑台
- 和电动物镜切换转台相比,直线式切换滑台的外形小,切换时间短。
- 和同轴观测镜筒配合使用时,需要另购相应的连接部件。
采用了本公司独特的定位平台设计技术和制造技术生产的低价格高性能的物镜自动切换台。
特别适用于希望高速切换物镜的生产装置和检查装置。
电动物镜切换台:LACR-4H
- 采用了非接触式的物镜定位方案,耐久性好。 ◦采用步进电机驱动,物镜前端的定位分辨率小于1μm。
- 和控制器(GIP-101B)配合使用时,可预设5个位置(转动方向的定位)。而且,转台本身可实现物镜螺口位置的对芯微调。
- 和同轴观测镜筒配合使用时,需要另购相应的连接部件。
电动物镜切换转台:LACS-2H-A
- 物镜切换位置为2个的直线滑台式电动物镜切换滑台
- 和电动物镜切换转台相比,直线式切换滑台的外形小,切换时间短。
- 和同轴观测镜筒配合使用时,需要另购相应的连接部件。
技术参数:
LACR-4H:

LACS-2H-A:
电动物镜转台(LACR-4H)光轴调整方法:

1. 转动方向的角度位置调整,由自动平台控制器的脉冲数决定。
2. 电动物镜转台,只能一个方向调整。
3. 利用正面的M4顶丝以及侧面的另一个M4顶丝,可在±0.3mm左右的范围内微调物镜的光轴位置。
4. 但,只有其中的3个螺孔的位置是可微调的。
- 上一个:超长工作距离物镜
- 下一个:压电陶瓷式物镜驱动器
客服1