产品中心
新闻资讯
- 诚挚邀请您出席《全国光学与光学工程 2026博士生学术联赛》
- 诚挚邀请您出席《粤港澳物理学会2025联合年会暨量子科技论坛》
- 诚挚邀请您出席《全国光学与光学工程 2025博土笔学术联赛》
- 诚挚邀请您出席《2024年广东省物理学会学术年会暨中山大学物理学科百年论坛》
联系我们
联系人: 周先生
手机: 13288666664
电话: 020-38880135 020-38880857
邮箱: sales01#gzyuli.com
地址: 广州市天河区儒林大街后园路35号E座107房
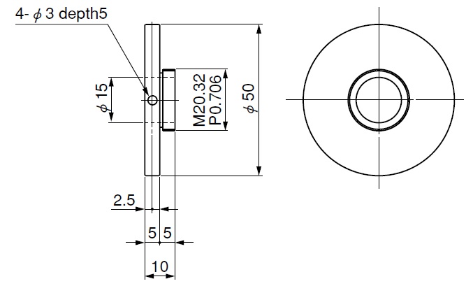
- 在5轴可调镜架(ALHN-5RO)或φ50mm用各种镜架上固定物镜时的适配器。
- 组合LHO-20.32-N或LHO-20.32A-N、可固定M20.32螺纹的各种物镜。
- 5轴可调镜架(ALHN-5RO),可以实现焦平面内的调芯,调焦,和2轴倾斜调整。
信息
- 备有十字可调镜架(TAT),和TAT-18OA配合使用,还可以实现物镜的调心。
注意
- 仅使用物镜适配器无法固定物镜。请一定同时选购LHO-20.32-N或LHO-20.32A-N。
- 万一难于从适配器上拧下物镜时,请在适配器侧的小孔中插入一根金属棍等就容易拧了。
- 如果不是西格玛光机的物镜,即使标称的螺纹规格相同,也会出现螺纹配合偏紧的情况。
通用指标
主要材料:铝合金
表面处理:黑色氧化
外形图:

相关标签:
- 上一个:物镜镜架
- 下一个:真空用物镜(中心通孔)
客服1