产品中心
新闻资讯
- 诚挚邀请您出席《全国光学与光学工程 2026博士生学术联赛》
- 诚挚邀请您出席《粤港澳物理学会2025联合年会暨量子科技论坛》
- 诚挚邀请您出席《全国光学与光学工程 2025博土笔学术联赛》
- 诚挚邀请您出席《2024年广东省物理学会学术年会暨中山大学物理学科百年论坛》
联系我们
联系人: 周先生
手机: 13288666664
电话: 020-38880135 020-38880857
邮箱: sales01#gzyuli.com
地址: 广州市天河区儒林大街后园路35号E座107房
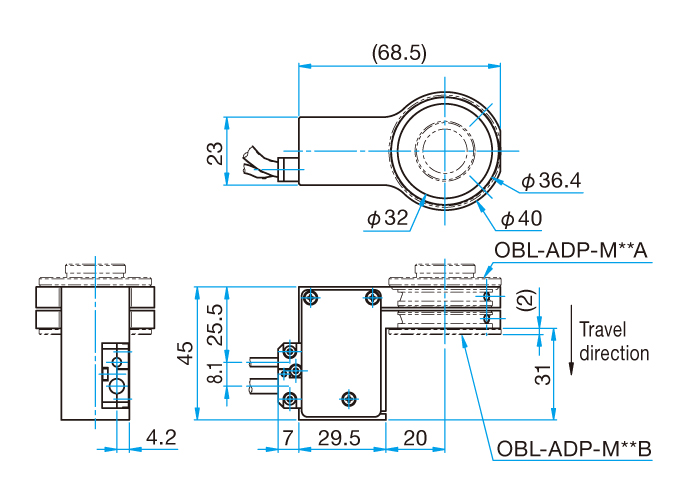
压电陶瓷式物镜驱动器
- 尺寸小,可进行高速高分辨率定位。
- 开环控制时的行程为100μm。和开环控制相比,闭环控制时的最大行程会少20%左右。
- 考虑到显微镜的种类,我们备有2种用于正立型和1种用于倒立型显微镜的标准产品。
- 和其他压电陶瓷平台类似,可用控制器(FINE-01γ/503(CL))实现驱 动。它们具有RS232C,GP-IB(仅FINE-503(CL)),USB接口,配合计量·控制软件SGEMCSE,SGTERME或SGSFSX,可简单地构建控制需要的系统。
驱动机构为压电陶瓷,位置反馈采用数字位移传感器,可以用于显微镜的物镜驱动。
- 尺寸小,可进行高速高分辨率定位。
- 开环控制时的行程为100μm。和开环控制相比,闭环控制时的最大行程会少20%左右。
- 考虑到显微镜的种类,我们备有2种用于正立型和1种用于倒立型显微镜的标准产品。
- 和其他压电陶瓷平台类似,可用控制器(FINE-01γ/503(CL))实现驱 动。它们具有RS232C,GP-IB(仅FINE-503(CL)),USB接口,配合计量·控制软件SGEMCSE,SGTERME或SGSFSX,可简单地构建控制需要的系统。
- 备有多种螺纹适配器,可以安装不同螺纹尺寸的物镜。
- SFS-OBL-2是采用了金属封装的压电陶瓷驱动机构。和SFS-OBL-1相比,具有更好的抵抗湿度环境的性能。
注意:
- 在闭环控制时,平台的行程与开环控制时相比会减少20%左右。
技术参数:
SFS-OBL-1:

SFS-OBL-2:

SFAI-OBL-1R:

客服1