欢迎访问光学平台厂家,SIGMA西格玛光机等国内外知名光电品牌代理商-手机在线买球官方网站!

全国咨询热线

020-38880135/38880857

产品中心

新闻资讯

联系我们

联系人: 周先生

手机: 13288666664

电话: 020-38880135 020-38880857

邮箱: sales01#gzyuli.com

地址: 广州市天河区儒林大街后园路35号E座107房

XYZ轴TSD平台(垂直) 60mm代理

品牌:西格玛光机

产地:日本

产品简介: 组合了TSD型XY轴平台和Z轴垂直安装型的平台

在线留言

组合了TSDXY轴平台和Z轴垂直安装型的平台。

注意:

▶可提供真空用不锈钢平台(TSDS-605L

▶型号末尾为FP的产品,采用的是精密调整螺杆,请注意不是一般的微分头。精密调整螺杆的螺距为0.25mm,在操作时请使用六角扳手或另售的六角手轮扳手(KCL)

XYZ轴TSD平台(垂直) 60mm

通用指标:

XYZ轴TSD平台(垂直) 60mm指标

技术指标:

型号

微分头的安装位置

行程/周

微分头最小读数

承载能力

自重

TSD-605CL

中心

0.5mm

0.01mm

49N(5.0kgf)

1.7kg

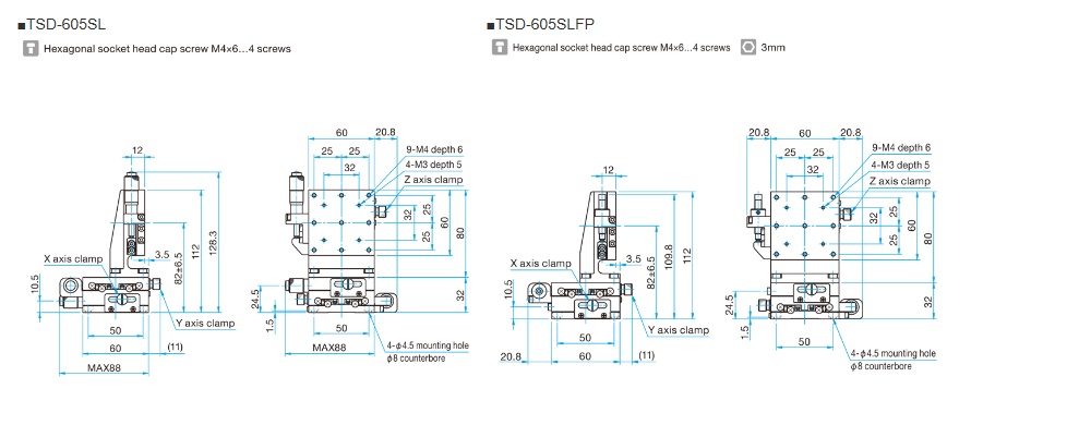
TSD-605SL

侧面

0.5mm

0.01mm

49N(5.0kgf)

1.7kg

TSD-605SRL

侧面

0.5mm

0.01mm

49N(5.0kgf)

1.7kg

TSD-605CLFP

中心

0.25mm

49N(5.0kgf)

1.7kg

TSD-605SLFP

侧面

0.25mm

49N(5.0kgf)

1.7kg

TSD-605SRLFP

侧面

0.25mm

49N(5.0kgf)

1.7kg


外形图:

XYZ轴TSD平台(垂直) 60mm


XYZ轴TSD平台(垂直) 60mm

XYZ轴TSD平台(垂直) 60mm



相关标签:

相关产品

Copyright © 2012-2025 版权所有:买球官网手机版·(中国)官方网站 https://www.biokosma-me.com 粤ICP备12017400号  TP by Oulucn.com

在线客服
联系方式

热线电话

13288666664

上班时间

周一到周五

公司电话

020-38880135 020-38880857

二维码
线