产品中心
新闻资讯
- 诚挚邀请您出席《全国光学与光学工程 2026博士生学术联赛》
- 诚挚邀请您出席《粤港澳物理学会2025联合年会暨量子科技论坛》
- 诚挚邀请您出席《全国光学与光学工程 2025博土笔学术联赛》
- 诚挚邀请您出席《2024年广东省物理学会学术年会暨中山大学物理学科百年论坛》
联系我们
联系人: 周先生
手机: 13288666664
电话: 020-38880135 020-38880857
邮箱: sales01#gzyuli.com
地址: 广州市天河区儒林大街后园路35号E座107房
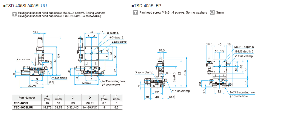
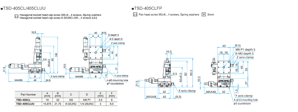
组合了TSD型XY轴平台和Z轴垂直安装型的平台
信息:
▶可提供真空用不锈钢平台(TSDS-405*L)(W7080)
▶型号末尾为FP的产品,采用的是精密调整螺杆,请注意不是一般的微分头。精密调整螺杆的螺距为0.25mm,在操作时请使用六角扳手或另售的六角手轮扳手(KCL)(W8008-3)。

通用指标:

技术指标:
型号 | 微分头的安装位置 | 行程/周 | 微分头最小读数 | 承载能力 | 自重 |
TSD-405CL | 中心 | 0.5mm | 0.01mm | 49N(5.0kgf) | 0.6kg |
TSD-405SL | 侧面 | 0.5mm | 0.01mm | 49N(5.0kgf) | 0.6kg |
TSD-405SRL | 侧面 | 0.5mm | 0.01mm | 49N(5.0kgf) | 0.6kg |
TSD-405CLUU | 中心 | 0.5mm | 0.01mm | 49N(5.0kgf) | 0.6kg |
TSD-405SLUU | 侧面 | 0.5mm | 0.01mm | 49N(5.0kgf) | 0.6kg |
TSD-405SRLUU | 侧面 | 0.25mm | - | 49N(5.0kgf) | 0.6kg |
TSD-405CLFP | 中心 | 0.25mm | - | 49N(5.0kgf) | 0.6kg |
TSD-405SLFP | 侧面 | 0.25mm | - | 49N(5.0kgf) | 0.6kg |
TSD-405SRLFP | 侧面 | 0.25mm | - | 49N(5.0kgf) | 0.6kg |
TSD-405CLFPUU | 中心 | 0.25mm | - | 49N(5.0kgf) | 0.6kg |
TSD-405SLFPUU | 侧面 | 0.25mm | - | 49N(5.0kgf) | 0.6kg |
TSD-405SRLFPUU | 侧面 | 0.25mm | - | 49N(5.0kgf) | 0.6kg |
外观形:



- 上一个:XYZ轴TSD平台(垂直)25mm
- 下一个:XYZ轴TSD平台(垂直) 60mm
客服1