产品中心
新闻资讯
- 诚挚邀请您出席《全国光学与光学工程 2026博士生学术联赛》
- 诚挚邀请您出席《粤港澳物理学会2025联合年会暨量子科技论坛》
- 诚挚邀请您出席《全国光学与光学工程 2025博土笔学术联赛》
- 诚挚邀请您出席《2024年广东省物理学会学术年会暨中山大学物理学科百年论坛》
联系我们
联系人: 周先生
手机: 13288666664
电话: 020-38880135 020-38880857
邮箱: sales01#gzyuli.com
地址: 广州市天河区儒林大街后园路35号E座107房
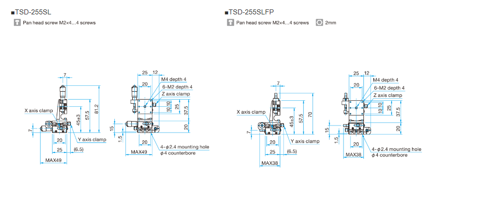
组合了TSD型XY轴平台和Z轴垂直安装型的平台。
信息:
▶可提供真空用不锈钢平台(TSDS-255*L)
▶型号末尾为FP的产品,采用的是精密调整螺杆,请注意不是一般的微分头。精密调整螺杆的螺距为0.25mm,在操作时请使用六角扳手或另售的六角手轮扳手(KCL)

通用指标:
台面尺寸 | 25×25mm |
行程 | XY軸±3mm Z軸±3mm |
导轨形式 | TSD导轨 |
主要材料 | 鉄 |
表面处理 | 黑铬 |
承载能力 | 14.7N(1.5kgf) |
移动精度/直线度 | 1μm |
最大承载力矩/俯仰 | 2.2N・m |
最大承载力矩/偏摆 | 2.1N・m |
扭矩刚度/俯仰 | 6.7″/N・cm |
技术指标:
型号 | 微分头的安装位置 | 行程/周 | 微分头最小读数 | 承载能力 | 自重 |
TSD-255CL | 中心 | 0.5mm | 0.01mm | 14.7N(1.5kgf) | 0.2kg |
TSD-255SL | 侧面 | 0.5mm | 0.01mm | 14.7N(1.5kgf) | 0.2kg |
TSD-255SRL | 侧面 | 0.5mm | 0.01mm | 14.7N(1.5kgf) | 0.2kg |
TSD-255CLFP | 中心 | 0.25mm | - | 14.7N(1.5kgf) | 0.2kg |
TSD-255SLFP | 侧面 | 0.25mm | - | 14.7N(1.5kgf) | 0.2kg |
外形图:




- 上一个:手动电动一体型位移台
- 下一个:XYZ轴TSD平台(垂直) 40mm
客服1