产品中心
新闻资讯
- 诚挚邀请您出席《全国光学与光学工程 2026博士生学术联赛》
- 诚挚邀请您出席《粤港澳物理学会2025联合年会暨量子科技论坛》
- 诚挚邀请您出席《全国光学与光学工程 2025博土笔学术联赛》
- 诚挚邀请您出席《2024年广东省物理学会学术年会暨中山大学物理学科百年论坛》
联系我们
联系人: 周先生
手机: 13288666664
电话: 020-38880135 020-38880857
邮箱: sales01#gzyuli.com
地址: 广州市天河区儒林大街后园路35号E座107房
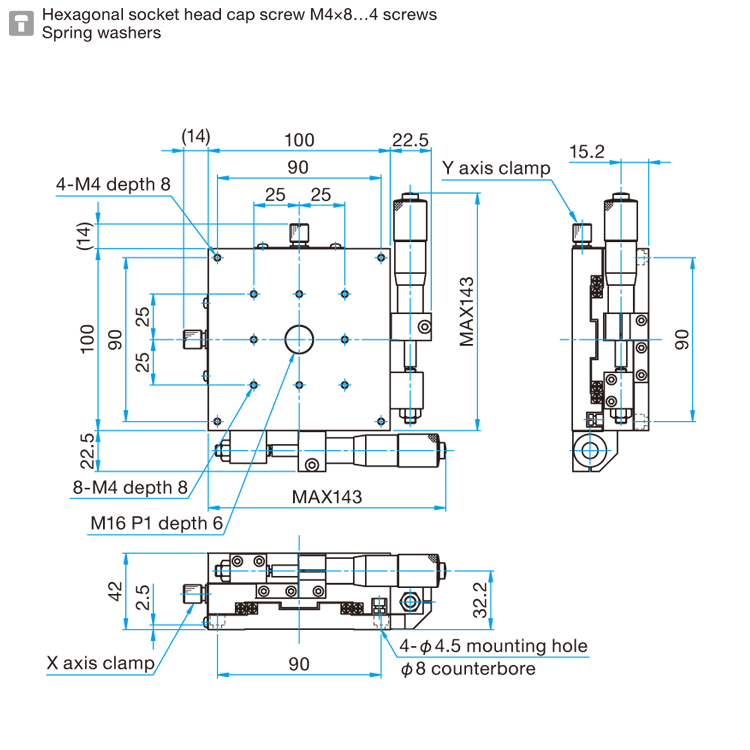
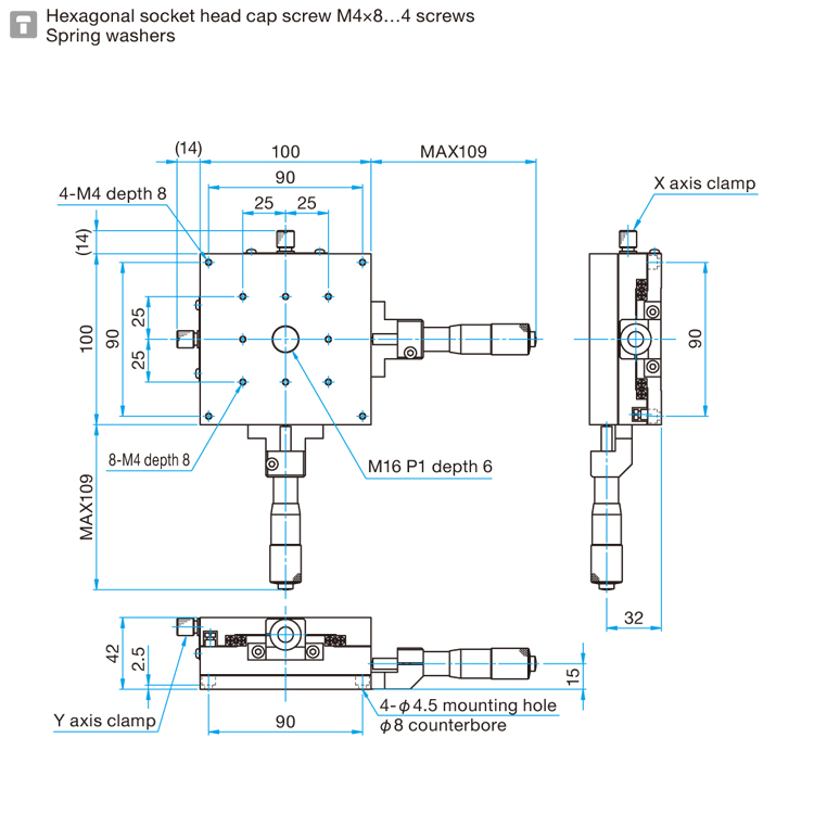
在铝合金本体上使用十字交叉滚柱导轨,平台面为长方型的轻量型高精度直动平台。

▶固定微分头用的零件,或微分头种类不同,部分型号的零件最高点高出平台台面。
▶请注意,根据装在平台上的样品的形状,也有可能无法固定或不能确保充分的行程。
| 台面尺寸 | 100×100mm |
| 行程 | ±12.5mm |
| 导轨形式 | 十字交叉滚柱导轨 |
| 主要材料 | 铝合金 |
| 表面处理 | 黑色氧化 |
| 承载能力 | 490N(50.0kgf) |
| 移动精度/直线度 | 2μm |
| 移动精度/俯仰 | 25″ |
| 移动精度/偏摆 | 15″ |
| 最大承载力矩/俯仰 | 27.5N・m |
| 最大承载力矩/转动 | 40.7N・m |
| 最大承载力矩/偏摆 | 30.9N・m |
| 扭矩刚度/俯仰 | 0.17″/N・cm |
| 扭矩刚度/转动 | 0.17″/N・cm |
| 扭矩刚度/偏摆 | - |
| 平行度 | 50μm |
| 移动平行度 | 25μm |
| 垂直度 | 10μm |
技术数据



相关标签:
客服1