产品中心
新闻资讯
- 诚挚邀请您出席《全国光学与光学工程 2026博士生学术联赛》
- 诚挚邀请您出席《粤港澳物理学会2025联合年会暨量子科技论坛》
- 诚挚邀请您出席《全国光学与光学工程 2025博土笔学术联赛》
- 诚挚邀请您出席《2024年广东省物理学会学术年会暨中山大学物理学科百年论坛》
联系我们
联系人: 周先生
手机: 13288666664
电话: 020-38880135 020-38880857
邮箱: sales01#gzyuli.com
地址: 广州市天河区儒林大街后园路35号E座107房
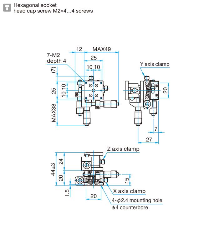
XYZ轴平面TSD平台
品牌:西格玛光机
产地:日本
产品简介:
XYZ轴平面TSD平台
XYZ轴平面TSD平台行程为XY轴±3mm Z軸±3mm,导轨形式为TSD导轨,平行度为130μm,扭矩刚度/俯仰为10.55″/N・cm,移动精度/直线度是5μm,它是组合了TSD型XY轴平台和Z轴水平台面型的平台。
注意:
1.在结构上使用了杠杆原理,所以,台面的实际位置,与刻度显示的进给量之间会存在一定的偏差。(微分头0.5mm/转时,其偏差大约为+/-0.02mm)
2.平台内部采用了弹簧结构,所以平台不能上下倒置使用。
3.可提供真空用不锈钢平台(TSDS-255*)
4.型号末尾为FP的产品,采用的是精密调整螺杆,请注意不是一般的微分头。精密调整螺杆的螺距为0.25mm,在操作时请使用六角扳手或另售的六角手轮扳手
通用指标:

技术比较:
型号 | 微分头的安装位置 | 行程/周 | 微分头读书 | 承载能力 | 自重 |
TSD-255C | 中心 | 0.5mm | 0.01mm | 29.4N(3.0kgf) | 0.2kg |
TSD-255S | 侧面 | 0.5mm | 0.01mm | 29.4N(3.0kgf) | 0.2kg |
TSD-2555SR | 侧面 | 0.5mm | 0.01mm | 29.4N(3.0kgf) | 0.2kg |
TSD-255CFP | 中心 | 0.25mm | - | 29.4N(3.0kgf) | 0.2kg |
TSD-255SFP | 侧面 | 0.25mm | - | 29.4N(3.0kgf) | 0.2kg |
TSD-255SRFP | 侧面 | 0.25mm | - | 29.4N(3.0kgf) | 0.2kg |
技术数据:
TSD-255C

TSD-255S

TSD-255CSR

TSD-255SFP

TSD-255CFP

TSD-255SRFP

其他信息:
手机在线买球官方网站主营光电教学仪器,光电科研实验室设备,光学平台等产品,可定制各类光学器件。产品质量优良服务周到,其中销售爆款的产品有光学隔振平台、拉曼光谱仪、电控位移台、显微物镜等产品,需要购买仪器的,请联系我们。
- 上一个:超薄θ轴中空微调转动平台
- 下一个:XZ轴平面TSD平台
客服1