产品中心
新闻资讯
- 诚挚邀请您出席《全国光学与光学工程 2026博士生学术联赛》
- 诚挚邀请您出席《粤港澳物理学会2025联合年会暨量子科技论坛》
- 诚挚邀请您出席《全国光学与光学工程 2025博土笔学术联赛》
- 诚挚邀请您出席《2024年广东省物理学会学术年会暨中山大学物理学科百年论坛》
联系我们
联系人: 周先生
手机: 13288666664
电话: 020-38880135 020-38880857
邮箱: sales01#gzyuli.com
地址: 广州市天河区儒林大街后园路35号E座107房
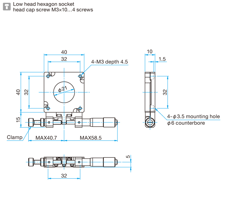
超薄θ轴中空微调转动平台
品牌:西格玛光机
产地:日本
产品简介:
超薄θ轴中空微调转动平台
超薄θ轴中空微调转动平台厚度仅为10mm,是带有通孔的四方型转动平台。具有与TSD相同的高刚性,抗偏载能力强,适合于各个方向(垂直安装,倒置)的安装使用。适合嵌入需要微小角度调整的装置或发挥薄型优势应用到低光轴的光学中。
产品信息:
1.标准采用对向锁紧方式
2.也可以提供平台厚度为10mm的超薄X轴TSD平台。(TSDT)
3.型号末尾为FP的产品,采用的是精密调整螺杆,请注意不是一般的微分头。精密调整螺杆的螺距为0.25mm,在操作时请使用六角扳手或另售的。
4.安装在垂直面使用时,请一定把微分头朝向下方安装。否则,结构上举鼎其载荷将有内部弹簧负担而无法正确定位
技术指标:
台面尺寸 | 40×40mm |
行程 | ±10° |
导轨形式 | TSD导轨 |
主要材料 | 钢 |
表面处理 | 黑铬 |
承载能力 | 78.4N(8.0kgf) |
载力矩/俯仰 | 3.9N・m |
承载力矩/转动 | 3.9N・m |
承载力矩/偏摆 | - |
扭矩刚度/俯仰 | 0.3″/N・cm |
扭矩刚度/转动 | 0.6″/N・cm |
扭矩刚度/偏摆 | - |
平行度 | 30μm |
偏芯量 | 10μm |
台面跳动 | 10μm |
自重 | 0.11kg |

产品外形图:

其他信息:
超薄θ轴中空微调转动平台是手动位移台的一种,想了解更多详情的请咨询我们。
我司的电控位移台和调芯位移台也是值得了解一下的。
- 上一个:a轴一体型导轨摆动平台
- 下一个:XYZ轴平面TSD平台
客服1