产品中心
新闻资讯
- 诚挚邀请您出席《全国光学与光学工程 2026博士生学术联赛》
- 诚挚邀请您出席《粤港澳物理学会2025联合年会暨量子科技论坛》
- 诚挚邀请您出席《全国光学与光学工程 2025博土笔学术联赛》
- 诚挚邀请您出席《2024年广东省物理学会学术年会暨中山大学物理学科百年论坛》
联系我们
联系人: 周先生
手机: 13288666664
电话: 020-38880135 020-38880857
邮箱: sales01#gzyuli.com
地址: 广州市天河区儒林大街后园路35号E座107房
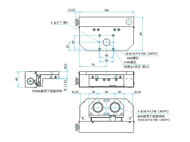
(new)电动物镜切换台-2孔 / LACS-2H-HR
采用了我公司独特的定位技术以及多年的平台加工技术制造的,高性能低价格的物镜切换台。
非常适用于生产装置和检查装置要求的高速镜头切换。
(new)电动物镜切换台 -2孔/ LACS-2H-HR
采用了我公司独特的定位技术以及多年的平台加工技术制造的,高性能低价格的物镜切换台。
非常适用于生产装置和检查装置要求的高速镜头切换。


详情:
▶采用了平移机构,和电动物镜切换转台相比,切换速度更快。
▶2个安装孔都能微调中心位置。和上一代产品比,更方便了物镜的光轴调心对准,操作性更好。
▶切换速度没变,但可以安装更大尺寸的物镜。
▶电缆插座安装方向也可更改为朝上,更方便使用。
信息:
▶配合另售的连接件 (AOR-M26.0),或,AOS-M26-HR,可加装到同轴照明观察装置 (OUCI系列) 。
▶物镜插口螺纹规格M26×0.706,同时附属2个M20.32×0.706螺纹用的转接件。
注意:
▶请注意,出厂时并没精密调整螺孔的中心对准位置。
▶不建议用户自己变更插座方向。如有需要请来信咨询。
▶调整螺孔中心位置时需要用到1.5mm尺寸的内六角扳手,此内六角扳手需用户自备。
▶假如希望加装到同轴照明观察装置 (OUCI系列) 上去的话,需要另外准备连接件。
▶这里推荐的单轴智能平台控制器 (GIP-101B),以及GIP-101B连接用的电缆 (D15RPA-CA系列电缆)都需要您另外选购,不是附属品。
技术指标:
| 物镜切换位置数 | 2孔 |
| 行程 | 50mm ( 切换距离 ) |
| 电机类型 | 5相步进电机 ( 0.75A / 相 ) |
| 单脉冲位移 | 2μm ( 整步 ) / 0.1μm ( 20细分 ) |
| 切换位置再现性 | ±3μm以下 ( 物镜前端位置 ) |
| 切换速度 | 50mm / sec ( A⇒B、约1.0sec ) |
| 螺口规格 | φ26×0.706 |
| 装载重量 | 2.0kg |
| 自重 | 1.0kg |
| 主要材料 | 铝合金 / 钢铁 |
| 表面处理 | 黑色氧化 |
图纸:

- 上一个:(new)电动物镜切换转台-4孔 / LACR-4H-B
- 下一个:没有了
客服1