产品中心
新闻资讯
- 诚挚邀请您出席《全国光学与光学工程 2026博士生学术联赛》
- 诚挚邀请您出席《粤港澳物理学会2025联合年会暨量子科技论坛》
- 诚挚邀请您出席《全国光学与光学工程 2025博土笔学术联赛》
- 诚挚邀请您出席《2024年广东省物理学会学术年会暨中山大学物理学科百年论坛》
联系我们
联系人: 周先生
手机: 13288666664
电话: 020-38880135 020-38880857
邮箱: sales01#gzyuli.com
地址: 广州市天河区儒林大街后园路35号E座107房
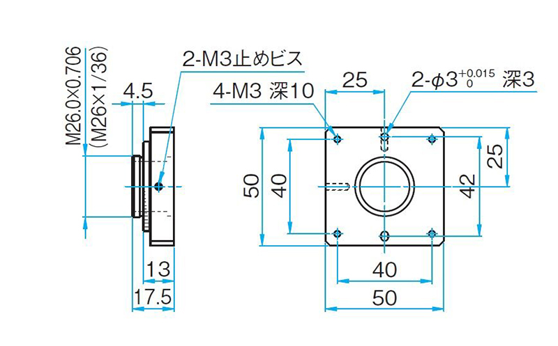
<电动物镜切换台:LACS-2H-A>
▶物镜切换位置为2个的直线滑台式电动物镜切换滑台
▶和电动物镜切换转台相比,直线式切换滑台的外形小,切换时间短。
▶和同轴观测镜筒配合使用时,需要另购相应的连接部件。
技术参数:
| 物镜切换位置数 | 2孔 ( 固定螺孔1个,其余一个在一个方向可调 ) |
| 行程 | 35mm ( 切换距离 ) |
| 电机类型 | 5相步进电机 ( 0.75A / 相 ) |
| 单脉冲位移 | 2μm ( 整步 ) / 0.1μm ( 20细分 ) |
| 切换位置再现性 | ±3μm以下 ( 物镜前端位置 ) |
| 切换速度 | 35mm / sec ( A⇒B、约1.0sec ) |
| 螺口规格 | φ26×0.706 |
| 装载重量 | 2.0kg |
| 自重 | 0.7kg |
| 主要材料 | 铝合金 / 钢铁 |
| 表面处理 | 黑色氧化 |
外观图纸:

电动物镜切换台和同轴观测镜筒配合使用时需要的连接部件。
转接件(AOS-M26.0):


相关标签:
客服1