产品中心
新闻资讯
- 诚挚邀请您出席《全国光学与光学工程 2026博士生学术联赛》
- 诚挚邀请您出席《粤港澳物理学会2025联合年会暨量子科技论坛》
- 诚挚邀请您出席《全国光学与光学工程 2025博土笔学术联赛》
- 诚挚邀请您出席《2024年广东省物理学会学术年会暨中山大学物理学科百年论坛》
联系我们
联系人: 周先生
手机: 13288666664
电话: 020-38880135 020-38880857
邮箱: sales01#gzyuli.com
地址: 广州市天河区儒林大街后园路35号E座107房
电动物镜切换转台
电动物镜切换台:LACR-4H>
- 采用了非接触式的物镜定位方案,耐久性好。 ◦采用步进电机驱动,物镜前端的定位分辨率小于1μm。
- 和控制器(GIP-101B)配合使用时,可预设5个位置(转动方向的定位)。而且,转台本身可实现物镜螺口位置的对芯微调。
- 和同轴观测镜筒配合使用时,需要另购相应的连接部件。
电动物镜切换转台:LACR-4H
采用了本公司独特的定位平台设计技术和制造技术生产的高性能性价比高的物镜自动切换台。
特别适用于希望高速切换物镜的生产装置和检查装置。
产品特点:
★采用了非接触式的物镜定位方案,耐久性好。
★采用步进电机驱动,物镜前端的定位分辨率小于1μm。
★和控制器(GIP-101B)配合使用时,可预设5个位置(转动方向的定位)。而且,转台本身可实现物镜螺口位置的对芯微调。
★和同轴观测镜筒配合使用时,需要另购相应的连接部件。
技术参数:
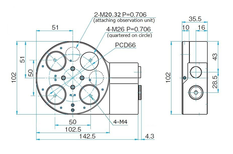
物镜切换位置数:4ヶ孔 ( 90°×4 )( 固定螺孔1个,其余3个一个方向可调 );
行程:∞ ( 两个方向 );
电机类型:5相步进电机 ( 0.75A / 相 );
单脉冲位移:0.01° ( 整步 ) / 0.0002° ( 50细分 );
一周所需脉冲数:36,000脉冲 ( 整步 );
重复定位精度:0.02°以下;
切换位置再现性:±3μm以下 ( 物镜前端位置 );
切换速度:60° / sec ( A⇒B、约2.0sec );
螺口规格:φ26×0.706;
装载重量:2.0kg;
自重:0.85kg;
主要材料:铝合金 / 不锈钢;
表面处理:黑色氧化;
附属件:M26-M20.32适配器 ( 4个 ) ;
尺寸图:

如何校准电动转轮器(LACR-4H):

- 上一个:5nm反馈级电动位移台
- 下一个:电动物镜切换台
客服1