产品中心
新闻资讯
- 诚挚邀请您出席《全国光学与光学工程 2026博士生学术联赛》
- 诚挚邀请您出席《粤港澳物理学会2025联合年会暨量子科技论坛》
- 诚挚邀请您出席《全国光学与光学工程 2025博土笔学术联赛》
- 诚挚邀请您出席《2024年广东省物理学会学术年会暨中山大学物理学科百年论坛》
联系我们
联系人: 周先生
手机: 13288666664
电话: 020-38880135 020-38880857
邮箱: sales01#gzyuli.com
地址: 广州市天河区儒林大街后园路35号E座107房
XY轴TSD平台(TSD)
品牌:西格玛光机
产地:日本
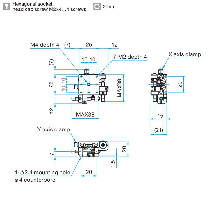
产品简介:XY轴TSD平台(TSD)的台面尺寸是25*25mm,行程是±3mm,主要材料是鉄,导轨形式是TSD导轨,它在淬火的钢质平台主体(下板)与移动台(上板)处,直接加工导轨。这是一款耐久性能优良的直动平台。XY轴TSD平台(TSD)是手动位移台的一种,台面尺寸有40*40mm、60*60mm、65*65mm、80*80mm、100*100mm、120*120mm的,需要其它的尺寸的可以联系我们定制。
XY轴TSD平台(TSD)
XY轴TSD平台(TSD)的台面尺寸是25*25mm,行程是±3mm,主要材料是鉄,导轨形式是TSD导轨,它在淬火的钢质平台主体(下板)与移动台(上板)处,直接加工导轨。这是一款耐久性能优良的直动平台。
需要注意:
1.固定微分头的零件,或微分头种类不同,部分型号的零件很高点高出平 台台面。
2.请注意,根据装在平台上的样品的形状,也有可能无法固定或不能确保 充分的行程。
3.可提供真空用不锈钢平台(TSDS-252)
4.型号末尾为FP的产品,采用的是精密调整螺杆,请注意不是一般的微分头。精密调整螺杆的螺距为0.25mm,在操作时请使用六角扳手或另售的六角手轮扳手(KCL)
通用指标:
台面尺寸 | 25×25mm |
行程 | ±3mm |
导轨形式 | TSD导轨 |
主要材料 | 鉄 |
表面处理 | 黑铬 |
承载能力 | 49N(5.0kgf) |
移动精度/直线度 | 0.5μm |
移动精度/俯仰 | 30″ |
移动精度/偏摆 | 25″ |
承载力矩/俯仰 | 3.0N・m |
承载力矩/转动 | 3.0N・m |
承载力矩/偏摆 | 3.5N・m |
扭矩刚度/俯仰 | 3.0″/N・cm |
扭矩刚度/转动 | 2.2″/N・cm |
扭矩刚度/偏摆 | 2.2″/N・cm |
平行度 | 30μm |
移动平行度 | 10μm |
垂直度 | 10μm |
技术数据:
TSD-252C

TSD-252SR

TSD-252CDL

TSD-252SRFP

TSD-252S

TSD-252CFP

其他信息:
XY轴TSD平台(TSD)是手动位移台的一种,台面尺寸有40*40mm、60*60mm、65*65mm、80*80mm、100*100mm、120*120mm的,需要其它的尺寸的可以联系我们定制,想要了解更多详情,可以拨打我们的电话:020-38880135 /020-38880857。
我司的电控位移台使用寿命长,同时价格实惠。
- 上一个:XZ轴平面TSD平台
- 下一个:超薄X轴TSD平台(TSDT)
客服1