产品中心
新闻资讯
- 诚挚邀请您出席《全国光学与光学工程 2026博士生学术联赛》
- 诚挚邀请您出席《粤港澳物理学会2025联合年会暨量子科技论坛》
- 诚挚邀请您出席《全国光学与光学工程 2025博土笔学术联赛》
- 诚挚邀请您出席《2024年广东省物理学会学术年会暨中山大学物理学科百年论坛》
联系我们
联系人: 周先生
手机: 13288666664
电话: 020-38880135 020-38880857
邮箱: sales01#gzyuli.com
地址: 广州市天河区儒林大街后园路35号E座107房
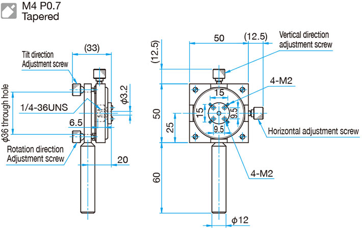
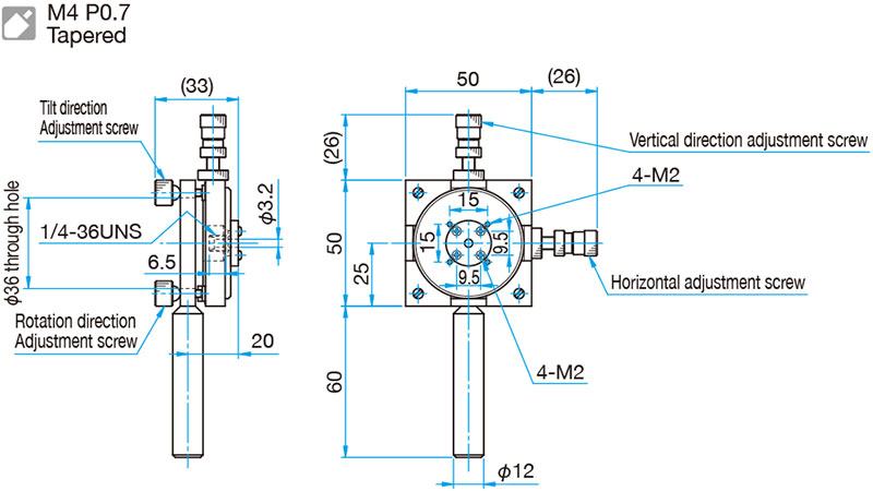
用于SMA插头的十字可调支架。
常用于准直光纤光束或小型分光器等的导入光纤(MMF)。
◦有两类产品,一类是采用普通螺纹的可调FOP-SMA型,另一类是可粗微调的FOP-DM-SMA型。
◦FOP-1-SMA只能十字方向调整,FOP-2-SMA还可调角度,可精密调整准直后光束的光强分布。
◦卸下SMA型光光纤支架上的SMA用插座,可更换为裸光纤用光纤适配部件(MFH-ADP-3)。
信息
▶备有FC插头用(FOP),裸光纤用(MFH)的十字可调支架。
▶承接定制更改立柱长度。如订货时指定了立柱长度的话,我们负责更换长度后出货。此为特殊形状立柱,更换时需要收取相应的费用。
注意
▶每次插入光纤后,其位置可能会变动。插入光纤后,一般都需要再次调整。
▶SMA插头上的螺母较薄,用手指拧不容易保证拧紧。推荐使用尖嘴钳紧固或拆卸。
通用指标:
主要材料 | 铝合金 |
表面处理 | 黑色氧化 |
技术比较:
型号 | 调整范围上下左右 | 角度范围俯仰·方位 | 分辨率上下左右 | 微调分辨率上下左右 | 微调刻度上下左右 | 分辨率俯仰·方位 | 自重 |
FOP-1-SMA | ±1mm | - | 0.5mm/周 | - | - | - | 0.14kg |
FOP-2-SMA | ±1mm | ±2° | 0.5mm/周 | - | - | 约0.7°/周 | 0.22kg |
FOP-1DM-SMA | ±1mm | - | 0.5mm/周 | 0.05mm/周 | 0.0025mm/DIV | - | 0.15kg |
FOP-2DM-SMA | ±1mm | ±2° | 0.5mm/周 | 0.05mm/周 | 0.0025mm/DIV | 约0.7°/周 | 0.24kg |




- 上一个:Ferrule适配器
- 下一个:SMA型光纤插座
相关产品
-
同轴镜架 SLH
-
可调镜架 LHA
-
超窄固定式镜架 TLH
-
三轴·五轴透镜镜架(底板型) ALHN-3/ALHN-5
-
三轴·五轴透镜镜架(立柱型) ALHN-3RO/ALHN-5RO
-
西格玛光机真空用透镜镜架
客服1