产品中心
新闻资讯
- 诚挚邀请您出席《全国光学与光学工程 2026博士生学术联赛》
- 诚挚邀请您出席《粤港澳物理学会2025联合年会暨量子科技论坛》
- 诚挚邀请您出席《全国光学与光学工程 2025博土笔学术联赛》
- 诚挚邀请您出席《2024年广东省物理学会学术年会暨中山大学物理学科百年论坛》
联系我们
联系人: 周先生
手机: 13288666664
电话: 020-38880135 020-38880857
邮箱: sales01#gzyuli.com
地址: 广州市天河区儒林大街后园路35号E座107房
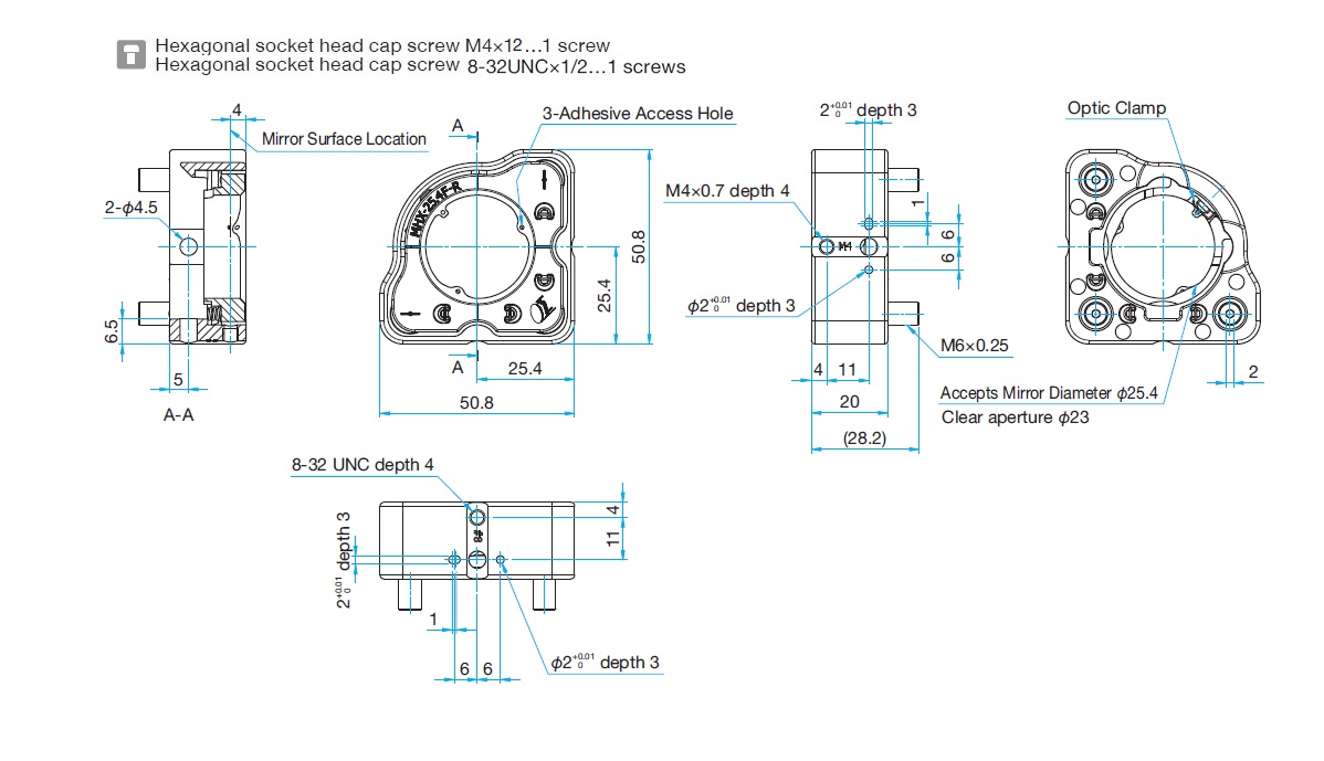
◦将镜片的反射面朝前,从镜架的后面装入,保证不同厚度的反射镜的反射面的位置,相对镜架而言都是固定的。
◦备有用于粘结固定镜片的工艺孔,以及防止镜架转动,或定位的定位销孔。
◦主要材料为高强度的不锈钢。虽然不锈钢的比重大,但通过优化设计,实现了轻薄结构。
◦镜架壁厚薄,导热性能好,环境温度变化时,内部温度分布均匀,镜架整体变形小。
信息
▶ 请参考MHX专用扳手和锁紧板的安装方法。
▶ 调整时,使用2mm的内六角扳手。
也可选购专用扳手,如下图,型号:MHX-K-M6。
▶ 同时,还可选购专用锁定板,型号:MHK-L-M6,
方便实现角度调整后的锁紧。
注意
▶ 不能直接和M6的立柱(RO)连接使用。 使用立柱固定时,请选用M4和8-32 UNC螺纹规格的立柱(ROC,RO-UU)。使用M4的螺栓,可直接固定到支柱(PST)或其他底板上。
▶反射镜面和镜架前面的距离为4mm。和立柱用M4螺孔中心的距离为11mm。
▶使用立柱固定的螺纹孔规格有2种,各1个,所以,使用立柱固定时,镜架不能反手对称安装。
但,备有2个对称的通孔,可使用M4螺栓,实现对称固定。
▶用于搭建迈克尔逊干涉仪等,需要半透半反的十字交叉光束的光学系统时,其有效口径会变小。

| 主要材料 | 不锈钢 |
| 表面处理 | 无 |
| 产品名称 | 高稳定不锈钢镜架 |
| 适用元器件外径 | φ25.4mm |
| 适用元器件厚度 | 3~7mm |
| 有效直径 | φ23mm |
| 调整轴数 | 3轴 |
| 装入方向 | 从后侧装入 |
| 调整范围(俯仰) | ±3° |
| 调整范围(方位) | ±3° |
| 分辨率(俯仰) | 約0.41°/回転 |
| 分辨率(方位) | 約0.41°/回転 |
| 适用镜架 | - |
| 1包装 | 1 |
| 自重 | 0.17kg |
客服1