产品中心
新闻资讯
- 诚挚邀请您出席《全国光学与光学工程 2026博士生学术联赛》
- 诚挚邀请您出席《粤港澳物理学会2025联合年会暨量子科技论坛》
- 诚挚邀请您出席《全国光学与光学工程 2025博土笔学术联赛》
- 诚挚邀请您出席《2024年广东省物理学会学术年会暨中山大学物理学科百年论坛》
联系我们
联系人: 周先生
手机: 13288666664
电话: 020-38880135 020-38880857
邮箱: sales01#gzyuli.com
地址: 广州市天河区儒林大街后园路35号E座107房
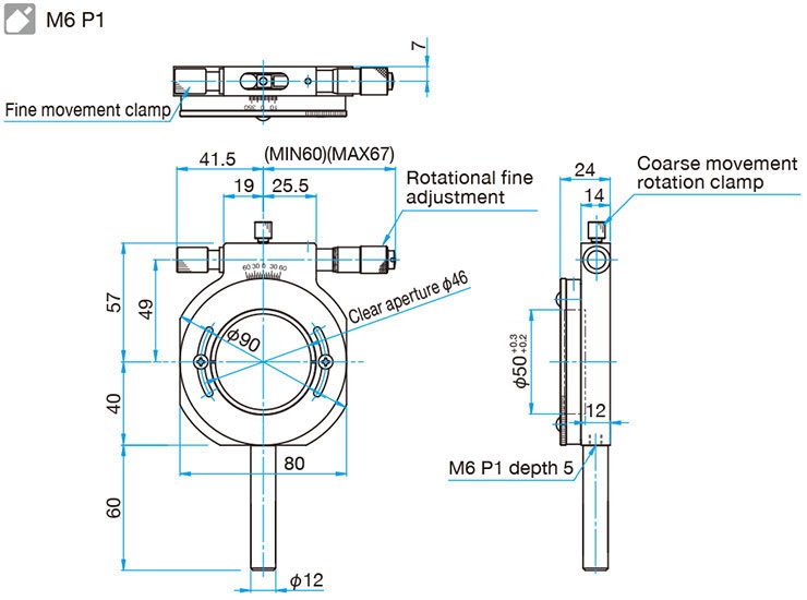
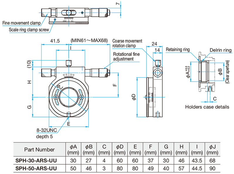
精密型偏光镜镜架(可转动式刻度盘)
品牌:西格玛光机
产地:日本
产品简介:
精密型偏光镜镜架(可转动式刻度盘)不仅具有微调机构,可精密调整偏光板,得到更高的消光状态,还具有微调锁紧机构,可避免调整后的失误动作,而且SPH型偏光镜镜架的安装方向可以改变90度,可方便地更改为侧面微调或读取刻度,还可360度转动,非常适用于精密的偏光光学实验。
精密型偏光镜镜架
精密型偏光镜镜架(可转动式刻度盘)不仅具有微调机构,可精密调整偏光板,得到更高的消光状态,还具有微调锁紧机构,可避免调整后的失误动作,而且SPH型偏光镜镜架的安装方向可以改变90度,可方便地更改为侧面微调或读取刻度,还可360度转动,非常适用于精密的偏光光学实验。
注意:
◆可定制目录中没有的非标尺寸用的类似镜架。
◇PH和SPH型偏光镜镜架可以卸下镜框改换为偏光棱镜适配器。
◆承接定制更改立柱长度。(如订货时指定了立柱长度的话,我们负责更 换长度后出货。)立柱长度相差大,也许会收取一定的差额费用,详情请咨询。
◇PH和SPH型偏光镜镜架,如卸下立柱使用M6螺栓固定时,螺栓的该螺纹部不能超过5mm。如果螺纹部太长,螺栓的顶端会与镜架的旋转机构干涉,导致镜架无法平滑旋转。
通用指标:
主要材料 | 铝合金 |
表面处理 | 黑色氧化 |
技术比较:

技术数据:
SPH-30-ARS

SPH-50-ARS

SPH-30-ARS-N/50-ARS-N

SPH-30-ARS-UU/50-ARS-UU

可转动式刻度盘:

PH-ARS,SPH-ARS,GT计算机-PH,GT计算机-SPH型的刻度盘可转动。
转动刻度盘,可简单地使偏光轴或波长板晶轴与刻度吻合。
实验中改变刻度盘位置,客户可更方便地调节偏光方向或晶轴方向。
(出货时设置的光轴是垂直方向,但立柱安装等会产生误差,所以实际角度的精度大约为±1度。)
【刻度盘的调整方法】
①在偏光镜镜架上安装偏光镜,使偏光轴或晶轴的方向与光学系统的偏光基准轴一致。
②拧紧锁紧钮,拧松刻度盘锁紧螺钉,旋转刻度盘。
③旋转刻度盘的刻度到所希望的位置,然后固定锁紧螺栓。
(注意 假如顶丝被拧得过紧的话,也许会影响到刻度盘的转动。)
关于偏光镜镜架与偏光棱镜镜架的互换安装:

假如已有偏光镜镜架(PH-ARS,SPH-ARS),那么只需再购买适配器(GTPA-ADP),这个偏光镜镜架可以作为偏光棱镜镜架使用了。客户购买适配器(GT计算机-ADP15,GT计算机-ADP25.4,GT计算机-ADP30),可以和新型的镜架GT计算机-PH30自行组合使用。但旧型的定制偏光棱镜镜架(GT计算机-PH-**,GT计算机-SPH-**)不能如此更改。
我们也单独提供偏光镜镜架(PH-ARS)的附属适配器(元件直径φ30,φ50mm用)。如有需要,请咨询。
其他信息:
光镜镜架时一种调整偏光板的偏光方位或波长板晶轴方向的镜架。可360度转动,适用于精密的偏光光学实验。
MPH型偏光镜镜架适用于小型化的光学系统或在狭小空间使用。
- 上一个:偏光镜镜架(无适配器)
- 下一个:简易型偏光镜镜架(可转动式刻度盘)
客服1