产品中心
新闻资讯
- 诚挚邀请您出席《全国光学与光学工程 2026博士生学术联赛》
- 诚挚邀请您出席《粤港澳物理学会2025联合年会暨量子科技论坛》
- 诚挚邀请您出席《全国光学与光学工程 2025博土笔学术联赛》
- 诚挚邀请您出席《2024年广东省物理学会学术年会暨中山大学物理学科百年论坛》
联系我们
联系人: 周先生
手机: 13288666664
电话: 020-38880135 020-38880857
邮箱: sales01#gzyuli.com
地址: 广州市天河区儒林大街后园路35号E座107房
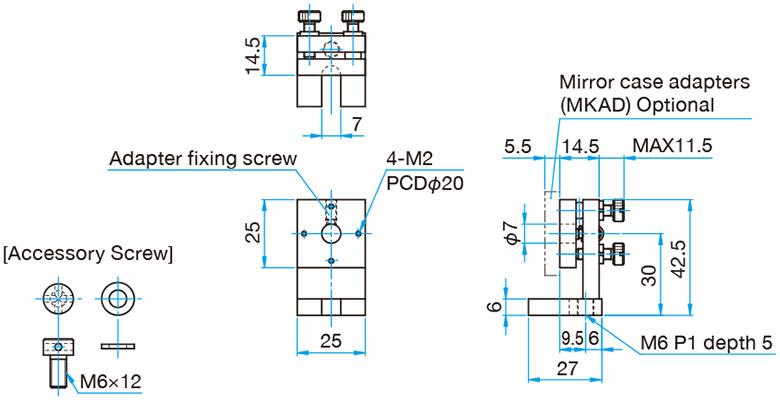
2维可调小型镜架
品牌:西格玛光机
产地:日本
产品简介:
2维可调小型镜架可提供必要调整性能的一种小型化反射镜镜架,用粘接剂固定反射镜,不仅可以用于不同尺寸的反射镜,还可以用于不再需要拆卸镜片,或需要特意把镜面位置偏离镜架中心的场合,镜架的固定孔位置有2种,在反射镜侧的是MMHN-25L型,在调整旋钮侧的是MMHN-25R型。可选择不同类型,避免配置时的干涉。
2维可调小型镜架可提供必要调整性能的一种小型化反射镜镜架,用粘接剂固定反射镜,不仅可以用于不同尺寸的反射镜,还可以用于不再需要拆卸镜片,或需要特意把镜面位置偏离镜架中心的场合,镜架的固定孔位置有2种,在反射镜侧的是MMHN-25L型,在调整旋钮侧的是MMHN-25R型。可选择不同类型,避免配置时的干涉。
注意:
1、我公司可提供25mm(型号:TFA-25S05-10)铝膜平面反射镜。
2、我公司可提供让做胶版镜子的适配器(MMHN-MAD)。
3、承接定制更改立柱长度。如订货时指定了立柱长度的话,我们负责更换长 度后出货。立柱长度相差大,也许会收取一定的差额费用,详情请咨询。
通用指标:
主要材料 | 铝合金 |
表面处理 | 黑色氧化 |
技术比较:
型号 | 适用元器件外形尺寸 | 调整范围俯仰 | 调整范围方位 | 分辨率俯仰 | 分辨率方位 | 自重 |
MMHN-25L | <□25mm/<φ25mm | ±5° | ±5° | 约0.9°/周 | 约0.9°/周 | 0.04kg |
MMHN-25R | <□25mm/<φ25mm | ±5° | ±5° | 约0.9°/周 | 约0.9°/周 | 0.04kg |
MMHN-25LRO | <□25mm/<φ25mm | ±5° | ±5° | 约0.9°/周 | 约0.9°/周 | 0.09kg |
MMHN-25RRO | <□25mm/<φ25mm | ±5° | ±5° | 约0.9°/周 | 约0.9°/周 | 0.09kg |
MMHN-25L-EE | <□25mm/<φ25mm | ±5° | ±5° | 约0.9°/周 | 约0.9°/周 | 0.04kg |
MMHN-25R-EE | <□25mm/<φ25mm | ±5° | ±5° | 约0.9°/周 | 约0.9°/周 | 0.04kg |
MMHN-25L-UU | <□25mm/<φ25mm | ±5° | ±5° | 约0.9°/周 | 约0.9°/周 | 0.04kg |
MMHN-25R-UU | <□25mm/<φ25mm | ±5° | ±5° | 约0.9°/周 | 约0.9°/周 | 0.04kg |
MMHN-25BN | <□25mm/<φ25mm | ±5° | ±5° | 约0.9°/周 | 约0.9°/周 | 0.03kg |
技术数据:
MMHN-25L

MMHN-25R

&
- 上一个:同轴2维可调镜架
- 下一个:精密C形2维可调镜架
相关产品
-
同轴镜架 SLH
-
可调镜架 LHA
-
超窄固定式镜架 TLH
-
三轴·五轴透镜镜架(底板型) ALHN-3/ALHN-5
-
三轴·五轴透镜镜架(立柱型) ALHN-3RO/ALHN-5RO
-
西格玛光机真空用透镜镜架
客服1