产品中心
新闻资讯
- 诚挚邀请您出席《全国光学与光学工程 2026博士生学术联赛》
- 诚挚邀请您出席《粤港澳物理学会2025联合年会暨量子科技论坛》
- 诚挚邀请您出席《全国光学与光学工程 2025博土笔学术联赛》
- 诚挚邀请您出席《2024年广东省物理学会学术年会暨中山大学物理学科百年论坛》
联系我们
联系人: 周先生
手机: 13288666664
电话: 020-38880135 020-38880857
邮箱: sales01#gzyuli.com
地址: 广州市天河区儒林大街后园路35号E座107房
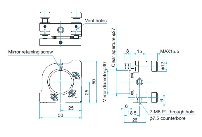
西格玛光机 真空用镜架
品牌:西格玛光机
产地:日本
产品简介:
空腔内构建光学系统的出气量小的镜架。
也可用于UV激光光学系统或超净间内的光学系统。
可卸下调整螺栓(VMHG-12.7除外)、更换为电动驱动器。(但,客户自理。)
螺纹孔等部位,都加工了通气孔或槽,便于真空环境下的使用。
使用了BARRIERTA SUPER IS/V系列润滑油脂。
产品介绍:

▶采用了真空包装,保证了产品在运输过程不被污染。
▶和底板连接时,建议选用真空用螺栓(VPCB/VAGB)。
▶另备有真空用支柱(VPST)及真空用立柱(VRO)。
▶承接特殊技术要求的产品定制。
▶卸调整螺栓或驱动器时,需要专用扳手(VNS-12)。
▶请在超净环境下开封。请不要用手直接触摸产品。
| 主要材料 | SUS316L |
| 表面处理 | 无 |
| 油脂 | BARRIERTA SUPER IS/V |
相关标签:
- 上一个:西格玛光机方形光学件支架
- 下一个:西格玛光机真空用透镜镜架




客服1