产品中心
新闻资讯
- 诚挚邀请您出席《全国光学与光学工程 2026博士生学术联赛》
- 诚挚邀请您出席《粤港澳物理学会2025联合年会暨量子科技论坛》
- 诚挚邀请您出席《全国光学与光学工程 2025博土笔学术联赛》
- 诚挚邀请您出席《2024年广东省物理学会学术年会暨中山大学物理学科百年论坛》
联系我们
联系人: 周先生
手机: 13288666664
电话: 020-38880135 020-38880857
邮箱: sales01#gzyuli.com
地址: 广州市天河区儒林大街后园路35号E座107房
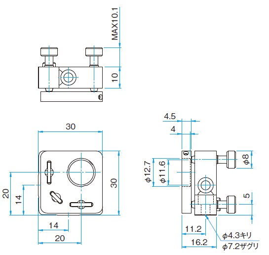
◦ 专为小型光纤准直镜镜筒配制的小型镜架,方便光学系统的小型化。
◦ 也可用于固定φ12.7mm的其他光学器件。
◦ 外形虽小,但不影响光纤插头的插拔的特殊设计。
◦ 采用了0.15mm螺距的细牙螺纹,便于进行光束方向的微调。

相关标签:
- 上一个: 西格玛光机精密型可调式窄缝
- 下一个:西格玛光机 激光聚焦组件

客服1