产品中心
新闻资讯
- 诚挚邀请您出席《全国光学与光学工程 2026博士生学术联赛》
- 诚挚邀请您出席《粤港澳物理学会2025联合年会暨量子科技论坛》
- 诚挚邀请您出席《全国光学与光学工程 2025博土笔学术联赛》
- 诚挚邀请您出席《2024年广东省物理学会学术年会暨中山大学物理学科百年论坛》
联系我们
联系人: 周先生
手机: 13288666664
电话: 020-38880135 020-38880857
邮箱: sales01#gzyuli.com
地址: 广州市天河区儒林大街后园路35号E座107房
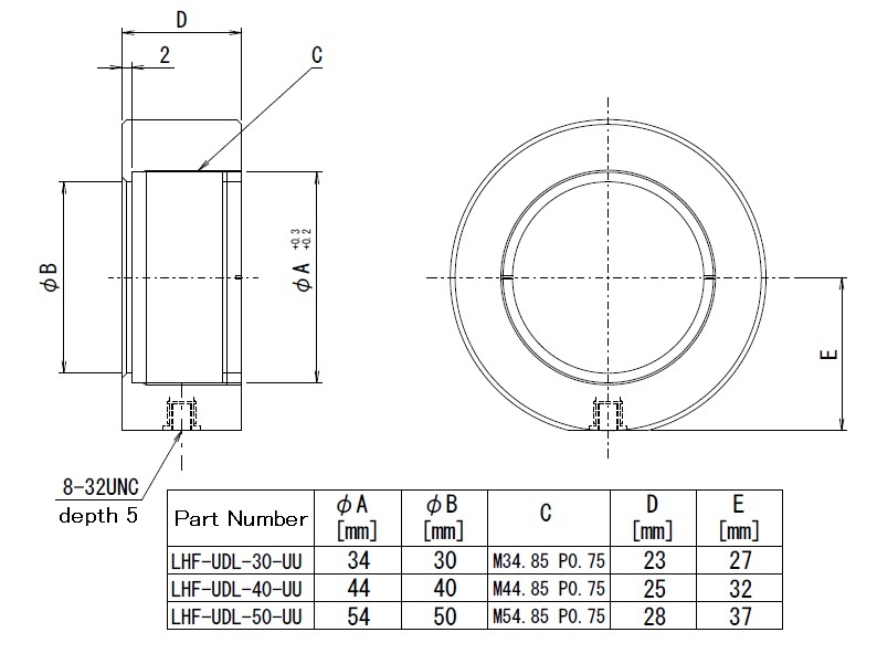
加工了内螺纹,便于安装各种尺寸的聚光透镜。选购时,请参照下面的聚光透镜对应镜架一览表。
▶聚光镜的详细数据请参考 光学元器件>ME光学>聚光镜
▶保护镜和保护镜镜架的详细数据请参考 光学元件>ME光学>聚光镜
▶承接定制更改立柱长度。(如订货时指定了立柱长度的话,我们负责更换长度后出货。)立柱长度相差大,也许会收取一定的差额费用,详情请咨询。
| 主要材料 | 铝合金 |
| 表面处理 | 黑色氧化 |
- 上一个:西格玛光机 小透镜镜架
- 下一个:西格玛光机物镜镜架







客服1