产品中心
新闻资讯
- 诚挚邀请您出席《全国光学与光学工程 2026博士生学术联赛》
- 诚挚邀请您出席《粤港澳物理学会2025联合年会暨量子科技论坛》
- 诚挚邀请您出席《全国光学与光学工程 2025博土笔学术联赛》
- 诚挚邀请您出席《2024年广东省物理学会学术年会暨中山大学物理学科百年论坛》
联系我们
联系人: 周先生
手机: 13288666664
电话: 020-38880135 020-38880857
邮箱: sales01#gzyuli.com
地址: 广州市天河区儒林大街后园路35号E座107房
西格玛光机固定式镜架(薄透镜)
品牌:西格玛光机
产地:日本
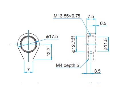
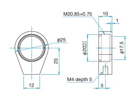
产品简介:◦ 可方便经济地固定本公司制造的单凸透镜。◦ φ12.7mm到φ50.8mm,共备有6种尺寸的标准产品。
◦ 螺纹环是金属材料的,不象树脂,没有发尘的风险。

▶不附带立柱。请另外选购RO或PST系列产品。
▶如使用PST,而且希望按照英寸调整光轴高度的话,欢迎选用调整板PS-SP。
▶螺纹尺寸转换件(AND),可变换LHG-30、LHG-50、LHG-50.8的固定螺纹规格为M4或8-32UNC。
▶此型号没附带树脂垫圈。假如您担心您固定的透镜会受伤的话,请另外选购树脂垫圈,夹在螺纹环(DR系列)之间一起使用。
▶LHG-12.7, LHG-20,LHG-25.4不能和M6的立柱配合使用。请使用支柱(PST)或M4的立柱(ROC)。
| 主要材料 | 铝合金 |
| 表面处理 | 黑色氧化 |
相关标签:
- 上一个:西格玛光机上方调节万向式镜架
- 下一个:西格玛光机螺纹环·树脂垫圈












W6052、
客服1