产品中心
新闻资讯
- 诚挚邀请您出席《全国光学与光学工程 2026博士生学术联赛》
- 诚挚邀请您出席《粤港澳物理学会2025联合年会暨量子科技论坛》
- 诚挚邀请您出席《全国光学与光学工程 2025博土笔学术联赛》
- 诚挚邀请您出席《2024年广东省物理学会学术年会暨中山大学物理学科百年论坛》
联系我们
联系人: 周先生
手机: 13288666664
电话: 020-38880135 020-38880857
邮箱: sales01#gzyuli.com
地址: 广州市天河区儒林大街后园路35号E座107房
产品介绍:
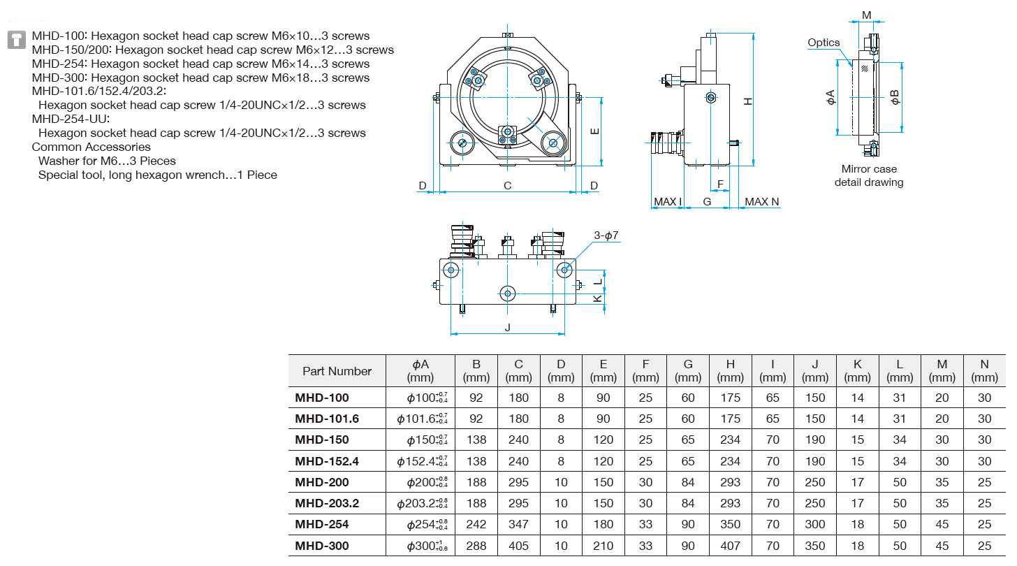
◦在反射镜的底面,使用3个头部为树脂的螺钉固定,便于固定各种不同厚度的镜片。
◦采用了大外径旋钮的差动微分头,容易实现角度的精密调整。

▶承接定制非标尺寸的大型镜架,欢迎咨询。
▶安装或更换镜片时,请使用内六角扳手,先卸下支持固定螺栓的支架后再插入镜片。
▶假如挤压镜片的压力过大,容易引起镜片变形,破坏面精度。
| 主要材料 | 铝合金 |
| 表面处理 | 黑色漆(镜架座),黑色氧化(镜框) |
- 上一个:西格玛光机外径适配器
- 下一个:西格玛光机近接型镜架

客服1