行业知识
新闻资讯
- 诚挚邀请您出席《全国光学与光学工程 2026博士生学术联赛》
- 诚挚邀请您出席《粤港澳物理学会2025联合年会暨量子科技论坛》
- 诚挚邀请您出席《全国光学与光学工程 2025博土笔学术联赛》
- 诚挚邀请您出席《2024年广东省物理学会学术年会暨中山大学物理学科百年论坛》
联系我们
联系人: 周先生
手机: 13288666664
电话: 020-38880135 020-38880857
邮箱: sales01#gzyuli.com
地址: 广州市天河区儒林大街后园路35号E座107房
行业知识
西格玛光机一级代理商-镜架综合介绍
综合介绍
选择光学调整架时不仅需要确认尺寸是否合适,还要保证能进行必要的调整,并满足光学系统的空间限制等,所以,这也是一个要进行多方面确认的工作。
这里,我们通过一个具体的例子,按照构筑光学系统的顺序,简要说明一下选择光学调整架的过程和需要注意的事项。
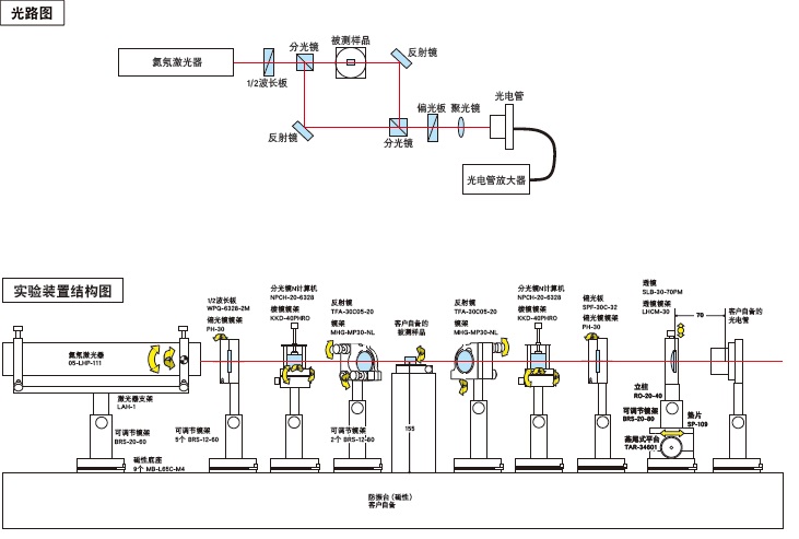
首先,在制作光学实验装置前,要根据实验原理,准备好光路图。
一般来说,大部分的光路图中,仅画了光学元器件等,通常没有调整架及调整轴的信息的。
我们通过下面的光路图作为例子,说明一下构建实验装置的要点。

为了搭建这个光学系统,必须以激光束为基准,把每个光学元器件放置到合适的位置。
不同的光学元器件,其安装使用方法也不同,所以选用的镜架和调整轴也会不一样。我们把这些信息添加到了结构图中。
最后,统观其结构图,确认光轴高度是否一致?镜架之间是否会互相干涉?是否具备了光学系统所要求的调节自由度?等等。最后决定系统的组成部件。
光轴高度
通常,光学实验装置都是固定在水平实验台上的。而且,设置在实验平台上的激光器的出射光束大多也是水平方向的,所以,我们常常可使用这个激光束作为设置光学元器件的基准。
光学系统中所使用的光学元器件都和激光束处于同一高度是最理想的。但是,光学元器件的种类很多,各镜架的光轴高度也不同,因此我们要选择合适的可调节镜架或高度调整块,使光学元器件处于相同高度。如果激光光源,或被测样品的光轴高度无法改变时,那么就必须以其高度为基准,调整其他光学元器件的高度了。另外,如果整个系统的光轴高度没有特别的限制时,通常以整个系统中光轴高度不能更低的那个器件的高度为基准,选配合调整其他光学元器件的光轴高度了。
注意
请一定在购买镜架和平台等之前,确定好系统的光轴高度。否则,很可能会发生中途更换镜架或者需要重新购买零部件的情况。
光路的调整
光束,是一个摸不着,也不能直接看到其行进轨迹的东西。激光束照射到光学元器件上后,在什么地方,以什么角度反射,一般我们不能直接用肉眼观察。
所以,我们通常通过照射到光学元器件后的反射光或透射光来判断激光光束和光学元器件之间的相互位置关系。这种光学调整方法也常被简称为[对准]。
下面,我们介绍几种常用的[对准]方法。
激光器的调整方法
在光学平台上,在激光束预定通过的位置上做好2个标记。如果平台上有矩阵排列的螺纹孔时,最好选定激光束穿过这些螺纹孔的位置,这样会比较方便些。
设置好激光器后,发射激光束。用一把垂直于平台的尺子确认激光束的位置。先把尺子竖立在靠近激光器的标记处,上下左右调整激光器的光束高度和位置。
然后,把尺子移到远离激光器的那个标记了的位置处,调节激光器的角度,使激光束照射在尺子的相同高度上。如此反复几次调整激光器的角度和位置,就可得到一束其光轴在希望的高度上的,并且平行于台面的激光束了。
激光器调整完毕后,固定好激光器的位置,防止光轴偏移。

调整激光束和光学元器件相对位置的方法
激光束照射到光学元器件的表面上时,通常只能看到很弱的散射光。调整元器件的位置使其散射光出现在元器件的中心位置。
但是,如果激光较弱或元器件的表面透过率很高时,我们也可能观察不到散射光束。在这种情况下,如图所示,我们可以用纸张的一角故意使光束散射,便于确认和调整激光束的位置。

调整激光束垂直入射光学元器件的方法
激光束照射到平面形状的光学器件时,该平面器件会将光束反射回光源处的,此时可确认反射光斑的位置判断是否垂直。复杂的光学系统,会出现多个反射光斑,这时可使用遮光板把其他器件的反射光束遮挡掉后,调整某特定器件的反射光束。
调整元器件的角度使激光束反射回到激光光源的出口附近。
当几个元器件同时反射回几个光束时,调整元器件的角度,使它们的反射光斑的中心位置处于激光发射口附近。
注意
假如反射光束被完全反射回激光器发射口的话,会导致激光器的输出不稳定。
请把反射光束调节至发射口的附近,并以可看到完整光斑为准。

设置45度入射角的元器件
首先在光学平台上,追加反射镜的位置和直角反射光束通过位置的标记。
然后在反射光束和反射镜位置连线的延长线上设置反射镜,使反射表面中心处在这条直线上。
在这个延长线上平行移动反射镜镜架,当激光束照射到反射镜反射面的中心位置上时固定反射镜。
最后,调整反射镜的光学调整架的水平和垂直方向的角度,使反射光束通过反射光束标识位置上的指定高度,使激光光束与平台平行。

调整透镜光轴
当激光器的照射位置偏离透镜的光轴时,穿过透镜的光束相对于光轴是倾斜的。所以,为了使透过的激光光束与光轴方向一致,需要在YZ轴方向调节透镜位置。
同时,一般还要使激光光束聚焦到某指定位置,所以还需要X轴方向的调整。
这种X轴方向的调整机构一般不需要微调的,我们推荐选用能够在较大范围快速调整的燕尾槽平台。
([注意] 如果是显微物镜那样的短焦距镜头,X轴方向也是需要精密调节的。)
在一般的光学系统中,通常不需要精密调整透镜的倾斜的。如果透镜中心在激光光束的光轴上,即使透镜稍有些倾斜,激光光束的前进方向也不变的。但是,在干涉仪或激光加工等精密的光学系统里,镜片的倾斜所产生的光学象差也需要关注时,可以通过观察波面或光斑的强度分布,调整镜片的倾斜,使其达到最佳状态。

调整分光镜的透射光路
当激光光束垂直照射到平行平面的元器件时,透射光路并不会改变。然而当元器件倾斜于光轴时,出射光路相对入射光路会平行移动。元器件的折射率,厚度和入射的角度不同时,其偏移量也不同。
在已经调整好的光路中,插入倾斜的分光镜时,相对器件或镜架,光束的中心位置会产生偏移。因此,如果需要倾斜插入分光镜等时,必须事先考虑激光束的偏移,配置光学元器件的位置。
例如,固定分光镜后方的光学元器件时,使用可以自由调节位置的底板,使其不受平台安装孔位置的限制。

镜架立柱及支架的更换
产品样本上所记载的大部分镜架都可以和M6外螺纹的立柱配合使用。
如果希望卸掉标配的立柱,换用其它立柱时,请注意核对螺纹尺寸规格。
如希望更换为(8-32UNC)或M4螺纹规格的立柱,可在型号末尾追加规定的后缀指定。

◎ 请在型号末尾追加规定的后缀指定需要的螺纹尺寸。
各种镜架选购件的使用案例
如果追加了镜架型号的尾缀,则不再包含立柱了。
如果选用了英寸规格或M4规格的支架·底板等,请同时指定EE或UU规格的立柱和支架。

以上资料由手机在线买球官方网站整理发布,旨在供大家学习之用,部分素材来自网上,如有侵权,请联系删除。
我公司是专业的光学平台厂家,光电实验室建设元器件和仪器供应商,主营产品有:光学平台、显微镜、光刻机、电流体喷印、空间光调制器、高光谱仪、荧光光谱仪、光谱分析仪、相机、反射镜、透镜、物镜等全系列光电产品,是世界顶级元器件厂家-日本西格玛光机的中国代理商,并提供光机件定制服务,一件就起订,欢迎联系咨询。
- 上一个:西格玛光机一级代理商-主要的光学公式和关系式
- 下一个:镜架立柱及支架的更换
新闻资讯
-
2026-03-18 10:12:30
螺纹环扳手ー NRS
-
2026-03-17 10:02:22
可调芯镜架 LHCM
-
2025-10-30 10:15:28
固定式镜架(公制/英制尺寸共用) LHF-S
-
2025-10-29 10:08:16
固定式镜架(薄透镜) LHG
-
2025-10-28 10:02:35
光轴变换组件 BSRU
-
2025-10-23 10:57:52
光轴变换件 BSR
客服1