产品中心
新闻资讯
- 诚挚邀请您出席《全国光学与光学工程 2026博士生学术联赛》
- 诚挚邀请您出席《粤港澳物理学会2025联合年会暨量子科技论坛》
- 诚挚邀请您出席《全国光学与光学工程 2025博土笔学术联赛》
- 诚挚邀请您出席《2024年广东省物理学会学术年会暨中山大学物理学科百年论坛》
联系我们
联系人: 周先生
手机: 13288666664
电话: 020-38880135 020-38880857
邮箱: sales01#gzyuli.com
地址: 广州市天河区儒林大街后园路35号E座107房
Goldeye G-008短波红外相机
品牌:请咨询我们
产地:请咨询我们
产品简介:全新的 Goldeye G-008 是很快的 1/4 VGA 分辨率短波红外相机 (SWIR),配有 GigE Vision 接口。全分辨率时很高帧速率 344 fps,可应用于多种应用领域并极大提高处理速度。由于价格实惠,很多对成本敏感、分辨率要求较低的应用,可以从这款相机的出色性能中获益。
Goldeye G-008短波红外相机
全新的 Goldeye G-008 是很快的 1/4 VGA 分辨率短波红外相机 (SWIR),配有 GigE Vision 接口。全分辨率时很高帧速率 344 fps,可应用于多种应用领域并极大提高处理速度。由于价格实惠,很多对成本敏感、分辨率要求较低的应用,可以从这款相机的出色性能中获益。
优点和特性:
紧凑型工业级设计
全分辨率下帧率 344fps
GigE接口
I/O 控制选项
自动板载图像校正
无风扇
广泛的工作温度范围
应用领域:
导体行业:太阳能电池板和芯片检测
回收行业:塑料分拣
医学成像、科学:高光谱成像、显微成像、OCT
物体的热成像:(250°C - 800°C)
农业:机载遥感
金属和玻璃行业:发热物体(250 ℃ 至 800 ℃)的热成像
印刷业:钞票检验
电子业:激光性能分析
监管和安全领域:视觉增强(例如通过模糊视觉和夜间视觉)
技术指标:
产品型号 | GOLDEYE G-008 TEC1 |
接口 | IEEE 802.31000BASE-T, IEEE 802.3af(PoE) |
分辨率 | 320(H)× 256(V) |
传感器 | InGaAs FPA 320 × 256 |
芯片类型 | InGaAs |
像元大小 | 30µm × 30µm |
光学接口 | C-Mount, F-Mount ,M42-Mount |
帧率 | 344 fps |
ADC | 14 Bit |
内存 | 256 MByte |
位数 | 8-14 Bit |
操作温度 | -20°C to +55°C(case) |
电源 | 10.8V to 30.0V |
功耗 | 10.8W(@12VDC),<12.95W(@PoE) |
重量 | 340g(带C口转接环) |
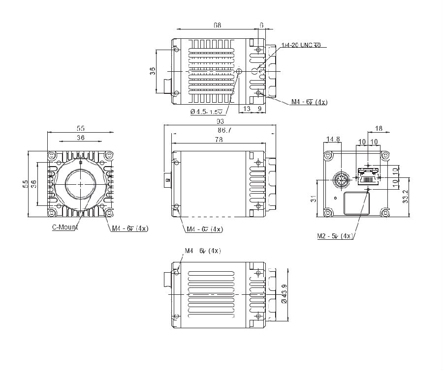
大小尺寸 | 78 × 55 × 55 mm |
产品外形图:

其他信息:
节省将相机融入到您的系统所需的时间和费用:较小的机身尺寸和多个可选安装配件让相机可以轻 松融入到紧凑型系统设计中。另外,以太网供电 (PoE) 等标准 GigE Vision 接口和全方位 I/O 控制配 件简化了与软件解决方案的连接以及与系统其他组件的同步。
集成热电式传感器冷却功能和机载图像校正功能为 Goldeye 提供了出色的图像质量。 让Goldeye 短波红外相机揭示更多隐藏特点!
客服1